Энкодер E80H Autonics
Описание
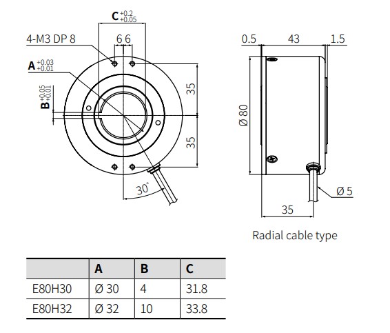
Характеристики датчика E80H
| Диаметр корпуса | 80 мм |
| Тип фланца | Упругий элемент |
|
Тип вала |
Сквозной полый вал |
| Диаметр вала |
30 мм, 32 мм |
| Напряжение питания |
5 +/- 5% В 12-24 В +/- 5% |
| Тип выходного сигнала |
NPN; Line Driver |
| Тип соединителя | Кабель или разъем |
| Вывод соединителя | Радиально |
|
Степень защиты от внешней среды |
IP 50 |
|
Диапазон рабочих температур |
От -10 до +70 С |
|
Допустимая нагрузка на вал |
|
| Масса | около 0,56 кг |
| Удар |
|
| Вибрация |
|
|
Доступное разрешение импульсов на оборот (имп/об) |
до 3200 |
Инкрементные поворотные энкодеры E80H от Autonics
| В наличии : | Нет |
Описание E80H
337.95 КБ