Энкодер GI331 Baumer
Описание
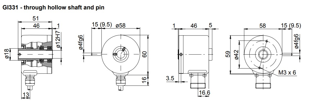
Характеристики датчика GI331
| Диаметр корпуса | 58 мм |
| Тип фланца | Зажимной фланец |
|
Тип вала |
Полый вал |
| Диаметр вала |
до 14 мм |
| Напряжение питания |
5 В +/- 10% / 10…30 В / 4,75…30 В |
| Тип выходного сигнала |
Line driver / RS 422 / Push-pull |
| Тип соединителя | Кабель или разъем |
| Вывод соединителя | Радиально |
|
Степень защиты от внешней среды |
IP 54 |
|
Диапазон рабочих температур |
от -20 до +85 С / от -20 до +100 С |
| Масса | около 0,25 кг |
| Удар | 200 g (6 ms) |
| Вибрация | 10 g (16 ... 2000 Hz) |
|
Доступное разрешение импульсов на оборот (имп/об) |
до 6000 |
Инкрементные угловые энкодеры GI331 от Baumer
| В наличии : | Нет |
Описание GI331
342.22 КБ