Энкодер ITD 61 A 4 Y 4 Baumer
Описание
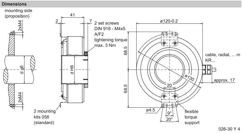
Характеристики датчика ITD 61 A 4 Y 4
| Диаметр корпуса |
120 мм |
| Тип фланца | Упругий элемент |
|
Тип вала |
Сквозной полый вал |
| Диаметр вала | от 30 мм до 50 мм |
| Напряжение питания |
5 В +/- 5% / 8…30 В |
| Тип выходного сигнала |
HTL / TTL / Line driver / Push-pull |
| Тип соединителя | Кабель |
| Вывод соединителя | Радиально |
|
Степень защиты от внешней среды |
IP 54 |
|
Диапазон рабочих температур |
от -20 до +70 С |
| Масса | около 2 кг |
| Удар | 30 g (11 ms) |
| Вибрация | 10 g (55 ... 2000 Hz) |
|
Доступное разрешение импульсов на оборот (имп/об) |
до 4096 |
Инкрементные поворотные энкодеры ITD 61 A 4 Y 4 от Baumer
| В наличии : | Нет |
Описание ITD_61_A_4_Y_4
312.34 КБ