Энкодер POG 10 Baumer
Варианты аналогов:
Цены
| Название |
Артикул
|
Цена | В наличии | |
| POG10 DN 1024 I | 11042716 |
Цена по запросу
|
Под заказ | Подобрать аналог |
Описание
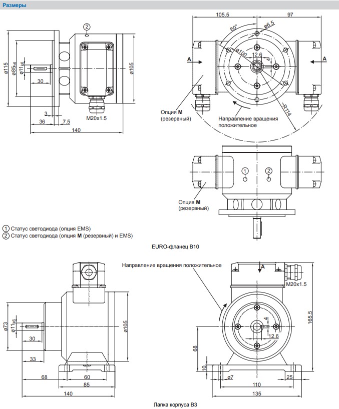
Характеристики датчика POG 10
| Диаметр корпуса |
115 мм |
| Тип фланца | Еврофланец |
|
Тип вала |
Цельный вал |
| Диаметр вала | 11 мм |
| Напряжение питания |
5 В +/- 5% / 9…30 В |
| Тип выходного сигнала |
HTL-P / TTL / RS422 |
| Тип соединителя |
Коннектор, 2-х клеммная коробка |
| Вывод соединителя | Радиально |
|
Степень защиты от внешней среды |
IP 55 |
|
Диапазон рабочих температур |
от -40 до +100 С / от -25 до +100 С / от -50 до +100 С |
|
Допустимая нагрузка на вал |
Аксиальная 350 Н Радиальная 450 Н |
| Масса | около 1,90 кг / 2,10 кг |
| Удар | 200 g (6 ms) |
| Вибрация | 20 g (10 ... 2000 Hz) |
|
Доступное разрешение импульсов на оборот (имп/об) |
до 5000 |
Инкрементные поворотные энкодеры POG 10 от Baumer
| В наличии : | Нет |
Описание POG-10
1.03 МБ