Инкрементальный угловой энкодер I01 41S Elcis
Описание
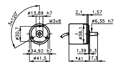
Характеристики датчика I01 41S
| Диаметр корпуса | 41 мм |
| Тип фланца | Синхрофланец |
| Тип вала | Цельный вал |
| Диаметр вала | 6,35 мм |
| Напряжение питания | 5...30 В |
| Ток потребления | до 120 мА |
| Тип выходного сигнала |
Push-pull / NPN open collector / Line Driver / TTL |
| Тип соединителя | Кабель |
| Вывод соединителя | Аксиально или радиально |
|
Максимально допустимая частота вращения |
12000 об/мин |
|
Степень защиты от внешней среды |
IP 53 / IP 64 / IP 65 |
|
Диапазон рабочих температур |
от 0°C до + 70°C |
| Удар (11 мс) | 500 м/с² |
| Вибрация (10...2000 Гц) | 120 м/с² |
| Масса | около 0,12 кг |
|
Доступное разрешение импульсов на оборот (имп/об) |
до 2540 |
| В наличии : | Нет |
Описание I01 41S
59.91 КБ