Энкодер MPN55 HENGXIANG
Цены
| Название | Цена | В наличии | |
| MPN55-E20BS24R |
Цена по запросу
|
Под заказ | Подобрать аналог |
Описание
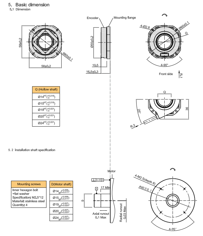
Характеристики датчика MPN55
| Диаметр корпуса | 55 мм |
|
Тип вала |
Сквозной полый вал |
| Диаметр вала | 14 мм / 15 мм / 19 мм / 20 мм / 24 мм |
| Напряжение питания | 5 В / 8...30 В |
| Тип выходного сигнала | SSI / BISS |
| Тип соединителя |
Кабель или разъем Радиально |
| Максимальная скорость вращения (об/мин) | до 6000 |
| Максимальная нагрузка на вал |
Аксиальная - 10 Н Радиальная - 20 Н |
| Степень защиты от внешней среды | IP 50 |
|
Диапазон рабочих температур |
от - 20 до + 95 С |
| Масса | около 0,15 кг |
|
Доступное разрешение |
до 24 бит |
Абсолютные угловые энкодеры MPN55 от HENGXIANG
-
Области применения:
- сервомоторы
- роботехника
- автоматизация производства.
| В наличии : | Нет |
Описание MPN55 HENGXIANG
1.81 МБ