Инкрементальный угловой энкодер WSN22 HENGXIANG
Описание
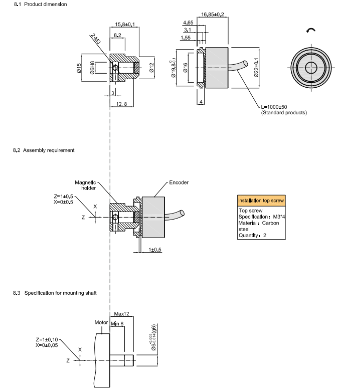
Характеристики датчика WSN22
| Технология считывания | Магнитная |
| Диаметр корпуса | 22 мм |
| Тип вала | Магнитный актуатор |
| Диаметр вала | 6 мм |
| Напряжение питания | 5 В / 7...30 В +/- 5% |
| Ток потребления | до 100 мА |
| Тип выходного сигнала | HTL / TTL |
| Тип соединителя |
Кабель аксиально |
|
Максимально допустимая частота вращения |
10000 об/мин |
|
Степень защиты от внешней среды |
IP 67 |
|
Диапазон рабочих температур |
от - 40°C до + 70°C |
| Удар (11 мс) | 1000 м/с² |
| Вибрация (10...2000 Гц) | 100 м/с² |
| Масса | около 0,016 кг |
|
Доступное разрешение импульсов на оборот (имп/об) |
до 16384 |
Инкрементальные угловые энкодеры WSN22 от HENGXIANG
| В наличии : | Нет |
Описание WSN22 Hengxiang
899.62 КБ