Энкодер K18 HENGXIANG
Описание
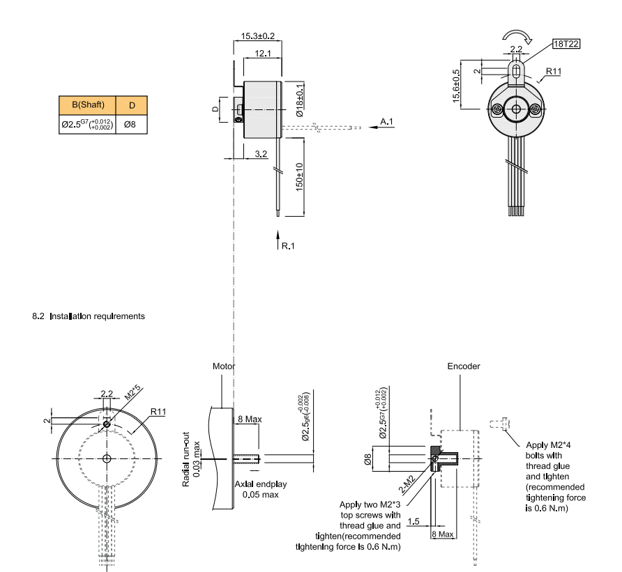
Характеристики датчика K18
| Технология считывания | Оптическая |
| Диаметр корпуса | 18 мм |
| Тип фланца | Зажимной фланец |
| Тип вала | Глухой полый вал |
| Диаметр вала | 2,5 мм |
| Напряжение питания | 5 В / 8...30 В |
| Ток потребления | до 50 мА |
| Тип выходного сигнала | NPN / TTL |
| Тип соединителя |
Кабель Радиально или аксиально |
|
Максимально допустимая частота вращения |
3000 об/мин |
|
Степень защиты от внешней среды |
IP 50 |
|
Диапазон рабочих температур |
от - 10 до + 70 С |
| Максимальная нагрузка на вал |
Аксиальная - 2 Н Радиальная - 2 Н |
| Масса | около 0,02 кг |
|
Доступное разрешение импульсов на оборот (имп/об) |
до 16384 |
Инкрементальные угловые энкодеры K18 от HENGXIANG
Области применения:
- микромоторы
- принтеры
- автоматизация производства.
| В наличии : | Нет |
Описание K18 HENGXIANG
872.92 КБ