Энкодер S70 HENGXIANG
Описание
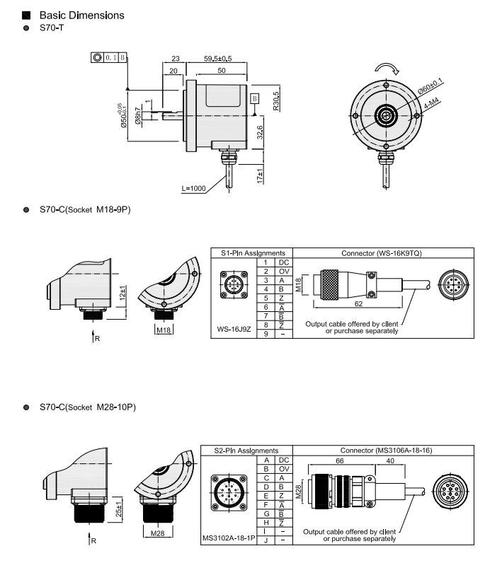
Характеристики датчика S70
| Технология считывания | Оптическая |
| Диаметр корпуса | 70 мм |
| Тип фланца | Сихрофланец |
|
Тип вала |
Цельный вал |
| Диаметр вала | 8 мм |
| Напряжение питания | 5 В / 8...30 В |
| Ток потребления | до 100 мА |
| Тип выходного сигнала | TTL / HTL / Push-Pull |
| Тип соединителя |
Кабель или разъем Радиально |
|
Максимально допустимая частота вращения |
5000 об/мин |
|
Степень защиты от внешней среды |
IP 50 / IP 65 |
|
Диапазон рабочих температур |
от - 20 до + 80 С |
| Максимальная нагрузка на вал |
Аксиальная - 20 Н Радиальная - 30 Н |
| Масса | около 0,45 кг |
|
Доступное разрешение импульсов на оборот (имп/об) |
до 23040 |
Инкрементальные угловые энкодеры S70 от HENGXIANG
-
Области применения:
- в системах автоматизации
- упаковочное оборудование
- станки с ЧПУ
| В наличии : | Нет |
Описание S70 HENGXIANG
996.49 КБ