Инкрементальный угловой энкодер SA38S
Цены
| Название | Цена | В наличии | |
| SA38S6-G1M1L-2500BM |
Цена по запросу
|
Под заказ | Подобрать аналог |
Описание
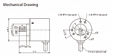
Характеристики датчика SA38S
| Тип фланца | Зажимной фланец |
| Диаметр корпуса | 38 мм |
| Тип вала | Цельный вал |
| Диаметр вала | 6 мм |
| Напряжение питания | 5 В / 8...26 В / 10...30 В |
| Ток потребления | 60 мА / 80 мА / 120 мА |
| Тип выходного сигнала | Push-Pull / Line Driver |
| Максимальная скорость вращения | 6000 об/мин |
| Пусковой момент | 1 × 10 Н·м |
| Момент инерции | 4 × 10 кг·м2 |
| Тип соединителя | Кабель |
| Вывод соединителя | Радиально или аксиально |
| Максимальная нагрузка на вал |
Аксиально - 15 Н Радиально - 20 Н |
|
Степень защиты от внешней среды |
IP 54 |
|
Диапазон рабочих температур |
от - 20°C до + 85°C |
| Удар (6 мс) | 50 м/с² |
| Вибрация (10...20 Гц) | 20 м/с² |
| Вес | около 0,316 кг |
|
Доступное разрешение импульсов на оборот (имп/об) |
до 5000 |
| В наличии : | Нет |
Описание SA38S
252.31 КБ