Абсолютный угловой энкодер SE206T
Описание
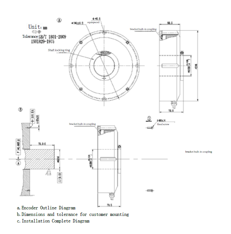
Характеристики датчика SE206T
| Технология считывания | Оптическая |
| Диаметр корпуса | 206 мм |
| Тип вала | Сквозной полый вал |
| Диаметр вала | 60 мм |
| Напряжение питания | 5 В / 10...30 В |
| Тип выходного сигнала |
RS485 / RS422 / RS232 / CANopen SSI / BISS-C |
| Максимальная скорость вращения | 600 об/мин |
| Тип соединителя | Кабель |
| Вывод соединителя | Радиально |
| Максимальная нагрузка на вал |
Аксиально - 40 Н Радиально - 60 Н |
|
Степень защиты от внешней среды |
IP 54 |
|
Диапазон рабочих температур |
от - 40°C до + 65°C |
| Удар (6 мс) | 50 м/с² |
| Вибрация (10...20 Гц) | 200м/с² |
| Вес | около 2,9 кг |
|
Доступное разрешение импульсов на оборот (имп/об) |
до 24 бит |
| В наличии : | Нет |
Описание SE206T
240.44 КБ