Инкрементальный энкодер ESI 1504 Leine Linde
Цены
| Название |
Артикул
|
Цена | В наличии | |
| ESI 1504 | 727180-01 |
Цена по запросу
|
Под заказ | Подобрать аналог |
Описание
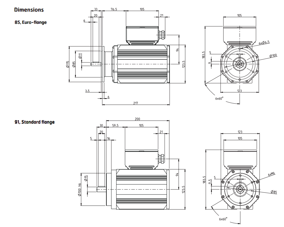
Характеристики датчика ESI 1504
| Диаметр корпуса | 115 мм / 100 мм |
| Тип фланца | Еврофланец / зажимной фланец |
|
Тип вала |
Цельный вал |
| Диаметр вала |
11 мм, 15 мм |
| Напряжение питания |
5 В +/- 10 % 9...30 В |
| Тип выходного сигнала | HTL / RS422 / TTL |
| Тип соединителя | Разъем |
| Вывод соединителя | Радиальный или аксиальный |
|
Степень защиты от внешней среды |
IP 67 |
|
Диапазон рабочих температур |
От - 20 до + 100 С |
|
Допустимая нагрузка на вал |
Радиально 680 Н Аксиально 1000 Н |
| Масса | около 6,9 кг |
| Удар | 2000 м/с2 (6 мс) |
| Вибрация | 200 м/с2 (55...2000 Гц) |
|
Доступное разрешение импульсов на оборот (имп/об) |
10000 |
Инкрементальные угловые энкодеры для тяжелых условий ESI 1504 от Leine Linde
| В наличии : | Нет |
Описание ESI 1504 Leine Linde
425.1 КБ