Энкодер AM36 Lika
Варианты аналогов:
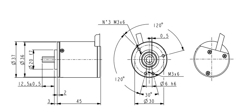
Описание
Характеристики датчика AM36
| Диаметр корпуса | 36 мм |
| Тип фланца | Пилотный фланец |
|
Тип вала |
Цельный вал |
| Диаметр вала |
6 мм |
| Напряжение питания |
5 B +/- 5 % + 5 B+ 30 B |
| Тип выходного сигнала | SSI; BISS- C; двоичный; Код Грея |
| Тип соединителя | Кабель или разъем |
| Вывод соединителя | |
|
Степень защиты от внешней среды |
IP 65, IP 67 |
|
Диапазон рабочих температур |
от -20 до + 85 С |
|
Допустимая нагрузка на вал |
Аксиальная 20 Н Радиальная 20 Н |
| Масса | около 0,10 кг |
| Удар | 250 g (6 ms) |
| Вибрация | 10 g (5 ... 2000 Hz) |
|
Доступное разрешение импульсов на оборот (имп/об) |
524288 (19 bit) x 4096 (12 bit) |
Абсолютные поворотные энкодеры AM36 от Lika
| В наличии : | Нет |
Описание AM36
256.25 КБ

