Энкодер AM58 Easy CAN Lika
Описание
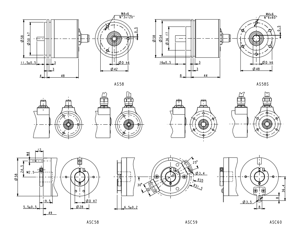
Характеристики датчика AM58 Easy CAN
| Диаметр корпуса | 58 мм |
| Тип фланца | Пилотный фланец |
|
Тип вала |
Цельный вал |
| Диаметр вала |
6, 8, 9.52, 10, 12 мм |
| Напряжение питания |
10...30 В |
| Тип выходного сигнала |
CANopen DS301, DS406 CANLift DS301, DS417 |
| Тип соединителя | Кабель или разъем |
| Вывод соединителя | Аксиально или радиально |
|
Степень защиты от внешней среды |
IP 65 / IP 67 |
|
Диапазон рабочих температур |
от - 25 до + 85 С |
|
Допустимая нагрузка на вал |
Аксиальная 40 Н Радиальная 40 Н |
| Масса | около 0,25 кг |
| Удар | 100 g (6 ms) |
| Вибрация | 10 g (5 ... 2000 Hz) |
|
Доступное разрешение импульсов на оборот (имп/об) |
до 16 х 14 бит |
Абсолютные угловые энкодеры AM58 Easy CAN от Lika
| В наличии : | Нет |
Описание AM58_AM58S_AMC58_AMC59
317.68 КБ