Энкодер AMM80 Lika
Варианты аналогов:
Описание
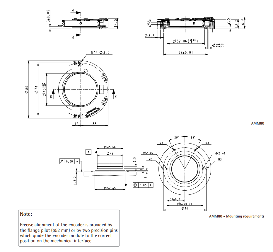
Характеристики датчика AMM80
| Диаметр корпуса | 80 мм |
| Технология считывания | Оптическая |
|
Тип вала |
Сквозной полый вал |
| Диаметр вала |
45 мм |
| Напряжение питания | 5 В +/- 5 % / 3...5 В |
| Тип выходного сигнала | BISS- C+ 1 Vpp / SSI+ 1 Vpp / RS485 |
| Тип соединителя | Разъем |
|
Степень защиты от внешней среды |
IP 00 |
|
Диапазон рабочих температур |
от -25 до + 100 С |
|
Допустимая нагрузка на вал |
Аксиальная +/- 50 мкм Радиальная +/- 20 мкм |
| Масса | около 0,035 кг |
| Удар | 250 g (6 ms) |
| Вибрация | 10 g (5 ... 2000 Hz) |
|
Доступное разрешение импульсов на оборот (имп/об) |
до 23 бит |
Абсолютные модульные энкодеры AMM80 от Lika
Области применения:- Роботехника
- Серводвигатели
- Медицинское оборудование
| В наличии : | Нет |
Описание AMM80 Lika
261.19 КБ