Энкодер ASC58 CB Lika
Описание
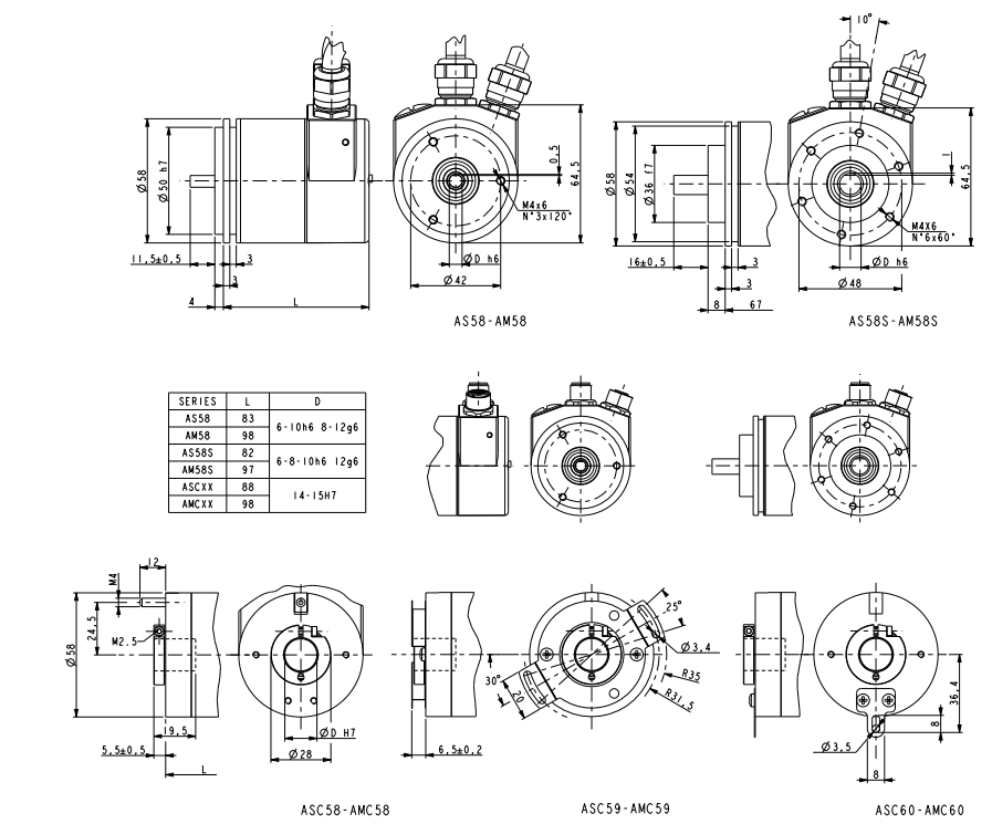
Характеристики датчика ASC58 CB
| Диаметр корпуса | 58 мм |
| Тип фланца | Упругий элемент |
|
Тип вала |
Глухой полый вал |
| Диаметр вала |
14 мм / 15 мм |
| Напряжение питания |
10...30 В |
| Тип выходного сигнала | CANopen DS301, DS406 |
| Тип соединителя | Разъем |
| Вывод соединителя | Радиально |
|
Степень защиты от внешней среды |
IP 65 |
|
Диапазон рабочих температур |
от - 25 до + 85 С |
|
Допустимая нагрузка на вал |
Аксиальная 40 Н Радиальная 40 Н |
| Масса | около 0,35 кг |
| Удар | 100 g (6 ms) |
| Вибрация | 10 g (5 ... 2000 Hz) |
|
Доступное разрешение импульсов на оборот (имп/об) |
до 13 бит |
Абсолютные угловые энкодеры ASC58 CB от Lika
| В наличии : | Нет |