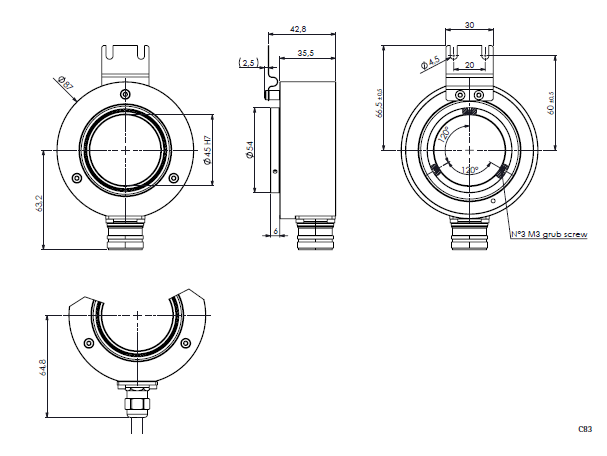
Угловой энкодер C83 Lika с большим полым валом
Варианты аналогов:
Описание
Характеристики датчика C83
| Диаметр корпуса | 87 мм |
| Тип фланца | Упругий элемент |
|
Тип вала |
Сквозной полый вал |
| Диаметр вала |
45 мм |
| Напряжение питания |
5 +/- 5% В 10...30 В 5...30 В |
| Тип выходного сигнала | Push-Pull / Line Driver |
| Тип соединителя | Кабель или разъем |
| Вывод соединителя | Радиально |
|
Степень защиты от внешней среды |
IP 54 / IP 65 - опционально |
|
Диапазон рабочих температур |
от - 25°C до + 85°C |
|
Допустимая нагрузка на вал |
Аксиальная 100 Н Радиальная 200 Н |
| Масса | около 0,30 кг |
| Удар |
2500 м/с² (6 мс) |
| Вибрация |
100 м/с² (5...2000 Гц) |
|
Доступное разрешение импульсов на оборот (имп/об) |
до 4096 |
Инкрементальные угловые энкодеры C83 от Lika
| В наличии : | Нет |
Описание C83 Lika
221.89 КБ