Абсолютный угловой энкодер EBO58 Lika
Описание
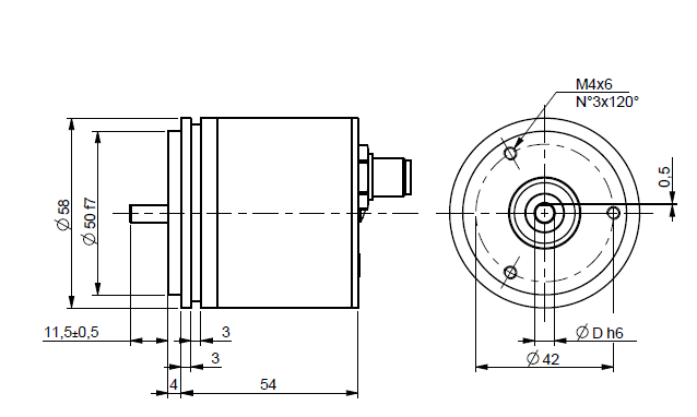
Характеристики датчика EBO58
| Технология считывания | Оптическая |
| Диаметр корпуса | 58 мм |
| Тип фланца | Синхрофланец |
|
Тип вала |
Цельный вал |
| Диаметр вала |
6 мм / 8 мм / 9.52 мм / 10 мм / 12 мм |
| Напряжение питания | 10...30 В |
| Тип выходного сигнала | CANopen / ModBUS |
| Тип соединителя | Кабель или разъем |
| Вывод соединителя | Аксиально или радиально |
|
Степень защиты от внешней среды |
IP 65 / IP 67 |
|
Диапазон рабочих температур |
от - 40 до + 100 С |
|
Допустимая нагрузка на вал |
Аксиальная 40 Н Радиальная 40 Н |
| Масса | около 0,25 кг |
| Удар | 250 g (6 ms) |
| Вибрация | 10 g (5 ... 2000 Hz) |
|
Доступное разрешение импульсов на оборот (имп/об) |
до 18 бит |
Абсолютные угловые энкодеры EBO58 от Lika
| В наличии : | Нет |
Описание EBO58-EBM58 Lika
275.64 КБ