Энкодер EM58 PA Lika
Описание
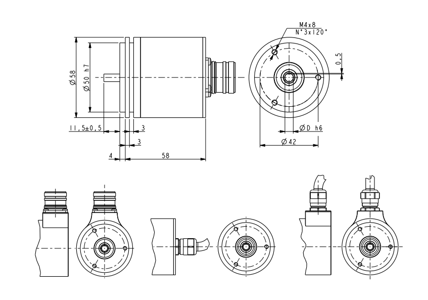
Характеристики датчика EM58 PA
| Диаметр корпуса | 58 мм |
| Тип фланца | Пилотный фланец |
|
Тип вала |
Цельный вал |
| Диаметр вала |
6, 8, 9.52, 10, 12 мм |
| Напряжение питания | 13...30 В |
| Тип выходного сигнала |
Программируемый аналоговый 4-20 мА, 0-20 мА, 0-24 мА / 0-5 В, 0-10 В, -5 + 5 В, -10 + 10 В |
| Тип соединителя | Кабель или разъем |
| Вывод соединителя | Радиально |
|
Степень защиты от внешней среды |
IP 67 |
|
Диапазон рабочих температур |
от -20 до + 85 С |
|
Допустимая нагрузка на вал |
Аксиальная 100 Н Радиальная 100 Н |
| Масса | около 0,25 кг |
| Удар | 250 g (6 ms) |
| Вибрация | 10 g (5 ... 2000 Hz) |
|
Доступное разрешение импульсов на оборот (имп/об) |
12 х 14 бит |
Абсолютные угловые энкодеры EM58 PA от Lika
| В наличии : | Нет |
Описание EM58-PA_EM58S-PA_EMC58-PA Lika
238.51 КБ