Энкодер EM58S TA Lika
Описание
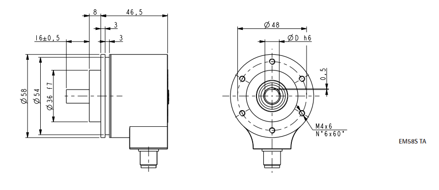
Характеристики датчика EM58 TA
| Диаметр корпуса | 58 мм |
| Тип фланца | Зажимной фланец |
|
Тип вала |
Цельный вал |
| Диаметр вала |
6, 8, 9.52, 10, 12 мм |
| Напряжение питания | 13...30 В |
| Тип выходного сигнала | Аналоговый 4-20 мА, 0-20 мА, 0-24 мА |
| Тип соединителя | Кабель или разъем |
| Вывод соединителя | Радиально |
|
Степень защиты от внешней среды |
IP 67 |
|
Диапазон рабочих температур |
от -20 до + 85 С |
|
Допустимая нагрузка на вал |
Аксиальная 100 Н Радиальная 100 Н |
| Масса | около 0,25 кг |
| Удар | 250 g (6 ms) |
| Вибрация | 10 g (5 ... 2000 Hz) |
|
Доступное разрешение импульсов на оборот (имп/об) |
12 х 14 бит |
Абсолютные угловые энкодеры EM58S TA от Lika
| В наличии : | Нет |
Opisanie-EM58_TA_EM58_S_TA_EMC58_TA-Lika
291.32 КБ

