Абсолютный угловой энкодер EMC59K Lika
Описание
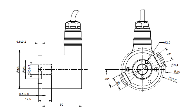
Характеристики датчика EMC59K
| Диаметр корпуса | 58 мм |
| Тип фланца | Упругий элемент |
|
Тип вала |
Глухой полый вал |
| Диаметр вала | 14 мм / 15 мм |
| Напряжение питания | 10...30 В |
| Тип выходного сигнала |
SSI / Программируемый аналоговый 4-20 мА, 0-20 мА, 0-24 мА |
| Тип соединителя | Кабель |
| Вывод соединителя | Радиально |
|
Степень защиты от внешней среды |
IP 65 / IP 67 |
|
Диапазон рабочих температур |
от -20 до + 85 С |
| Масса | около 0,50 кг |
| Удар | 250 g (6 мс) |
| Вибрация | 10 g (5 ... 2000 Гц) |
|
Доступное разрешение импульсов на оборот (имп/об) |
до 14 бит |
Абсолютные угловые энкодеры EMC59K от Lika
| В наличии : | Нет |
Описание EMC59K Lika
238.46 КБ