Абсолютный угловой энкодер EXO59CK Lika
Описание
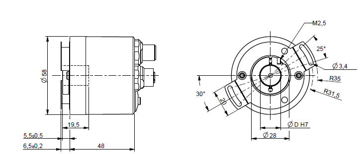
Характеристики датчика EXO59CK
| Технология считывания | Оптическая |
| Диаметр корпуса | 58 мм |
| Тип фланца | Упругий элемент |
|
Тип вала |
Глухой полый вал |
| Диаметр вала |
14 мм / 15 мм |
| Точность | ± 0,01° |
| Напряжение питания | 5...30 В |
| Тип выходного сигнала | EtherCAT / Powerlink / Profinet / Ethernet/IP / Modbus/TCP / CC-Link |
| Тип соединителя | Разъем |
| Вывод соединителя | Аксиально |
|
Степень защиты от внешней среды |
IP 65 |
|
Диапазон рабочих температур |
от - 25 до + 85 С |
| Масса | около 0,35 кг |
| Удар | 250 g (6 мс) |
| Вибрация | 10 g (5 ... 2000 Гц) |
|
Доступное разрешение импульсов на оборот (имп/об) |
до 18 бит / 16 x 14 бит |
Абсолютные угловые энкодеры EXO59CK от Lika
| В наличии : | Нет |
Описание EXO59CK-EXM59CK Lika
294.26 КБ