Инкрементальный угловой энкодер IM28 Lika
Под заказ
Варианты аналогов:
Описание
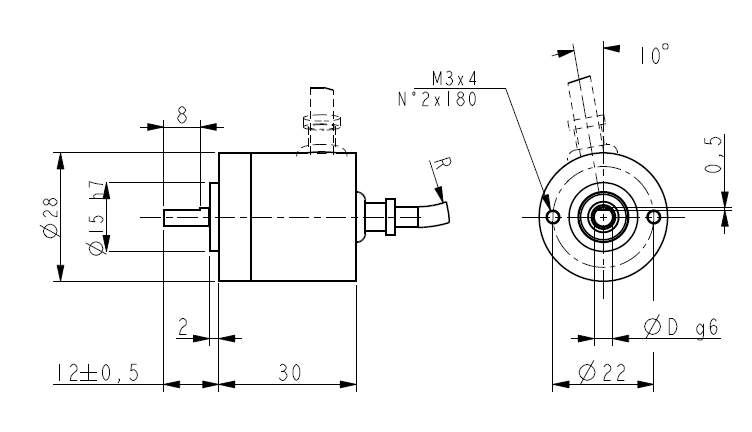
Характеристики датчика IM28
| Технология считывания | Магнитная |
| Диаметр корпуса | 28 мм |
| Тип фланца | Синхрофланец |
|
Тип вала |
Цельный вал |
| Диаметр вала |
4 мм, 5 мм |
| Напряжение питания |
5 +/- 5% В 10 В- 30 В 5 В+ 30 В |
| Тип выходного сигнала |
Push-Pull / Line Driver |
| Тип соединителя | Кабель |
| Вывод соединителя | Аксиально или радиально |
|
Степень защиты от внешней среды |
IP 54 |
|
Диапазон рабочих температур |
от -25 до + 85 С |
|
Допустимая нагрузка на вал |
Аксиальная 20 Н Радиальная 20 Н |
| Масса | около 0,50 кг |
| Удар | 250 g (6 ms) |
| Вибрация | 10 g (5 ... 2000 Hz) |
|
Доступное разрешение импульсов на оборот (имп/об) |
до 20000 |
Инкрементальные угловые энкодеры IM28 от Lika
| В наличии : | Нет |
Описание IM28 Lika
128.85 КБ