Энкодер IX58S Lika
Описание
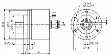
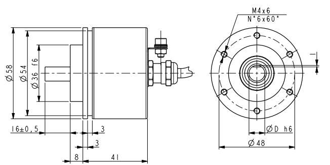
Характеристики датчика IX58S
| Диаметр корпуса | 58 мм |
| Тип фланца | Зажимной фланец |
|
Тип вала |
Цельный вал |
| Диаметр вала |
6, 8, 9.52, 10, 12 мм |
| Напряжение питания |
5 +/- 5% В 10 В- 30 В 5 В+ 30 В |
| Тип выходного сигнала |
NPN / PNP / Push-Pull / Line Driver / sin/cos |
| Тип соединителя | Кабель |
| Вывод соединителя | Аксиально или радиально |
|
Степень защиты от внешней среды |
IP 65 |
|
Диапазон рабочих температур |
от - 25 до + 85 С |
|
Допустимая нагрузка на вал |
Аксиальная 100 Н Радиальная 100 Н |
| Масса | около 0,20 кг |
| Удар | 250 g (6 ms) |
| Вибрация | 10 g (5 ... 2000 Hz) |
|
Доступное разрешение импульсов на оборот (имп/об) |
до 8192 |
Инкрементные угловые энкодеры IX58S от Lika
| В наличии : | Нет |
Opisanie-IX58_IX58S-Lika
227.3 КБ