Энкодер с тросовым барабаном SFAM2 FB Lika
Описание
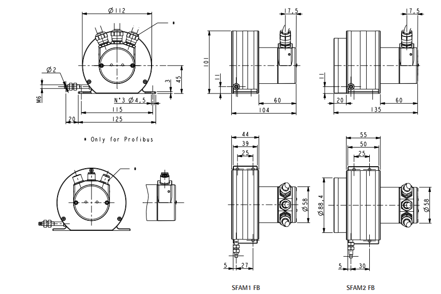
Характеристики датчика SFAM2 FB
| Диаметр корпуса | 101 мм |
| Монтаж проволоки | Резьба |
| Длина измерения | до 10 000 мм |
|
Точность |
+/- 0,5 мм |
| Напряжение питания | 10...30 В |
| Тип выходного сигнала | Profibus-DP, CANopen, DeviceNet, EtherNet / IP, EtherCAT, Powerlink, Profinet |
| Тип соединителя | Разъем |
| Вывод соединителя | Радиально |
|
Степень защиты от внешней среды |
IP 64 |
|
Диапазон рабочих температур |
от - 40 до + 85 С |
| Масса | около 0,8 кг |
| Удар | 100 g (6 ms) |
| Вибрация | 10 g (5 ... 2000 Hz) |
|
Доступное разрешение импульсов на оборот (имп/об) |
до 0,024 мм |
Энкодеры с тросовым барабаном SFAM2 FB от Lika
Энкодер SFAM2 FB выпущен на замену устаревшей модели SFA-10000 FB.| В наличии : | Нет |
Opisanie-SFAM1_FB_SFAM2_FB-Lika
429.45 КБ