Энкодер SMX5 Lika
Описание
Характеристики датчика SMX5
| Длина измерения | до 100 м |
| Метод измерения | Инкрементальный |
|
Технология считывания |
датчик Холла |
| Доступное разрешение |
до 1 мм |
| Напряжение питания | 5...30 В |
| Тип выходного сигнала | Line driver / Push- pull |
| Тип соединителя | Кабель |
| Максимальная механическая скорость | 16 м/с |
|
Степень защиты от внешней среды |
IP 67 |
| Зазор между шкалой и головкой | от 0,1 мм до 3 мм |
|
Диапазон рабочих температур |
от -25 до + 85 С |
| Масса |
|
| Удар | 250 g (6 ms) |
| Вибрация | 10 g (5 ... 2000 Hz) |
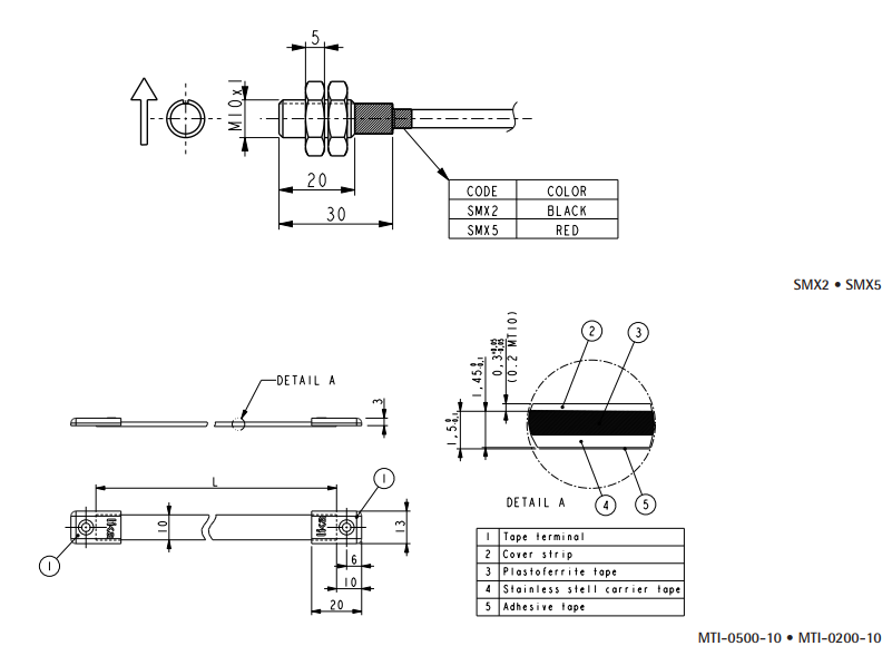
Инкрементальные энкодеры SMX5 от Lika
Датчик SMX5 работает по принципу Холла, корпус выполнен из нержавеющей стали.| В наличии : | Нет |
Opisanie-SMX2_SMX5-Lika
160.71 КБ