Инкрементальный угловой энкодер CP82 Lika
Описание
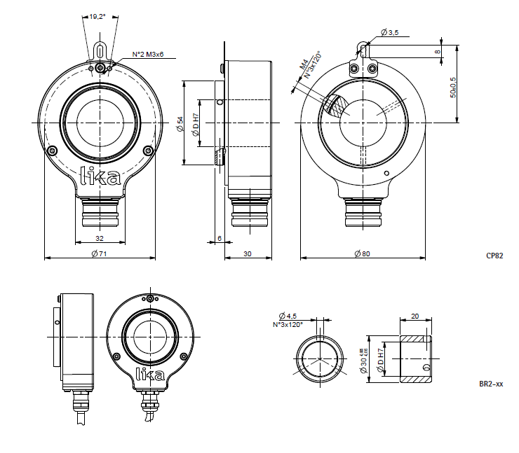
Характеристики датчика CP82
| Диаметр корпуса | 80 мм |
| Тип фланца | Упругий элемент |
|
Тип вала |
Сквозной полый вал |
| Диаметр вала |
от 30 мм до 44 мм |
| Напряжение питания | 5...30 В |
| Тип выходного сигнала | Push-Pull / Line Driver |
| Тип соединителя | Кабель или разъем |
| Вывод соединителя | Радиально |
|
Степень защиты от внешней среды |
IP 54 / IP 65 - опционально |
|
Диапазон рабочих температур |
от - 40°C до + 100°C |
|
Допустимая нагрузка на вал |
Аксиальная 100 Н Радиальная 200 Н |
| Масса | около 0,30 кг |
| Удар | 250 g (6 ms) |
| Вибрация | 10 g (5 ... 2000 Hz) |
|
Доступное разрешение импульсов на оборот (имп/об) |
до 65536 |
Инкрементальный угловой энкодер CP82 от Lika
| В наличии : | Нет |
Описание CP82 Lika
303.84 КБ