Абсолютный угловой энкодер AM08 Precizika
Цены
| Название | Цена | В наличии | |
| AM08-S-B13-B-02M-RC02-W |
Цена по запросу
|
Под заказ | Подобрать аналог |
| AM08-B-B01-G-03M-RC01-W |
Цена по запросу
|
Под заказ | Подобрать аналог |
Описание
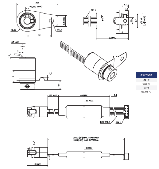
Характеристики датчика AM08
| Технология измерения | Магнитная |
| Диаметр корпуса | 8 мм |
|
Тип фланца |
Синхрофланец / упругий элемент |
|
Тип вала |
Цельный вал / глухой полый вал |
|
Диаметр вала |
2 мм / 2,5 мм / 3 мм / 3,175 мм |
| Напряжение питания |
5 В ± 5 % |
| Тип выходного сигнала | SSI / BISS |
| Тип соединителя | Кабель с разъемом |
| Вывод соединителя | Аксиально |
| Степень защиты от внешней среды | IP 50 |
|
Диапазон рабочих температур |
от – 40 °C до + 80°C |
| Максимальная скорость вращения | 6000 об/мин |
|
Допустимая нагрузка на вал |
Аксиальная 3 Н Радиальная 3 Н |
| Масса | около 0,25 кг |
| Удар |
100 м/с² (6 м/с) |
| Вибрация |
50 м/с² (55 ... 2000 Гц) |
|
Доступное разрешение импульсов на оборот (имп/об) |
до 13 бит |
Абсолютный угловой энкодер AM08 от Precizika
| В наличии : | Нет |
Описание AM08 Precizika
421.78 КБ