Инкрементальный энкодер SCA41 Scancon
Описание
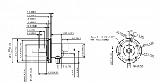
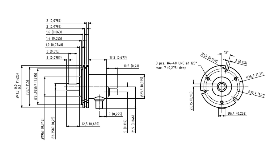
Характеристики датчика SCA41
| Диаметр корпуса | 41 мм |
| Тип фланца | Зажимной фланец |
|
Тип вала |
Цельный вал |
| Диаметр вала | 6 мм |
|
Напряжение питания |
4,75...30 В |
| Тип выходного сигнала | Push-Pull / Line Driver |
| Тип соединителя | Кабель |
| Вывод соединителя | Аксиально или радиально |
|
Степень защиты от внешней среды |
IP 50 / IP 64 |
|
Диапазон рабочих температур |
от -40 до + 85 С |
| Масса | около 0,050 кг |
| Максимальная нагрузка на вал |
Аксиальная 20 Н Радиальная 20 Н |
| Максимальная механическая скорость (об / мин) | 12000 |
|
Доступное разрешение импульсов на оборот (имп/об) |
до 7500 |
Инкрементальные энкодеры SCA41 от Scancon
- Медицинское оборудование
- Упаковочные машины
| В наличии : | Нет |
Описание SCA41 Scancon
1.02 МБ