Инкрементальный энкодер SCH32B Scancon
Описание
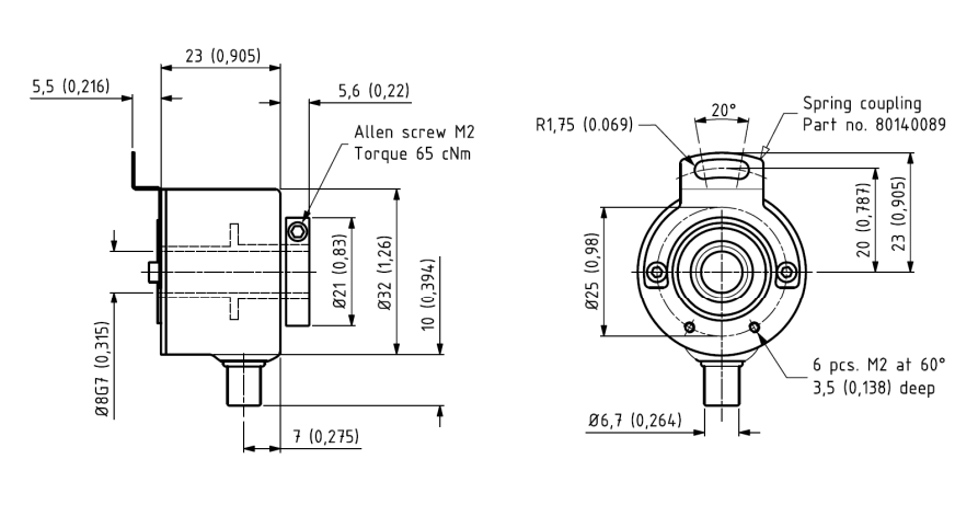
Характеристики датчика SCH32B
| Диаметр корпуса | 32 мм |
| Тип фланца | Упругий элемент |
|
Тип вала |
Сквозной полый вал |
| Диаметр вала | 6 мм |
|
Напряжение питания |
4,75...30 В |
| Тип выходного сигнала | Push-Pull / Line Driver |
| Тип соединителя | Кабель или разъем |
| Вывод соединителя | Радиально |
|
Степень защиты от внешней среды |
IP 50 / IP 65 |
|
Диапазон рабочих температур |
от -40 до + 85 С |
| Масса | около 0,050 кг |
| Максимальная нагрузка на вал |
Аксиальная 20 Н Радиальная 20 Н |
| Максимальная механическая скорость (об / мин) | 6000 |
|
Доступное разрешение импульсов на оборот (имп/об) |
до 5000 |
Инкрементальные энкодеры SCH32B от Scancon
| В наличии : | Нет |
Описание SCH32B Scancon
710.09 КБ