Инкрементальный энкодер SCH50F Scancon
Описание
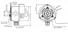
Характеристики датчика SCH50F
| Диаметр корпуса | 50 мм |
| Тип фланца | Упругий элемент |
|
Тип вала |
Глухой полый вал |
| Диаметр вала | 6 мм, 8 мм |
|
Напряжение питания |
4,75...30 В |
| Тип выходного сигнала | Push-Pull / Line Driver |
| Тип соединителя | Кабель или разъем |
| Вывод соединителя | Аксиально или радиально |
|
Степень защиты от внешней среды |
IP 65 / IP 66 / IP 67 |
|
Диапазон рабочих температур |
от -40 до + 85 С |
| Масса | около 0,12 кг |
| Максимальная нагрузка на вал |
Аксиальная 20 Н Радиальная 20 Н |
| Максимальная механическая скорость (об / мин) | 12000 |
|
Доступное разрешение импульсов на оборот (имп/об) |
до 12500 |
Инкрементальные энкодеры SCH50F от Scancon
| В наличии : | Нет |
Описание SCH50F Scancon
826.12 КБ