Инкрементальный энкодер SCH50IB Scancon
Описание
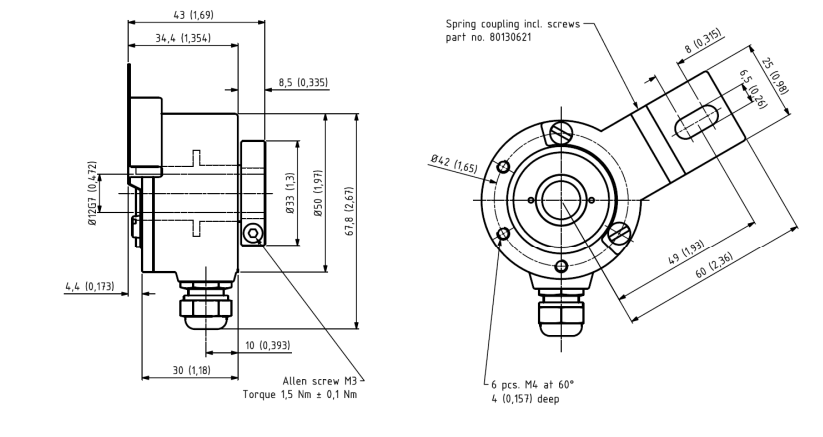
Характеристики датчика SCH50IB
| Диаметр корпуса | 50 мм |
| Тип фланца | Упругий элемент |
|
Тип вала |
Сквозной полый вал |
| Диаметр вала | 16 мм |
|
Напряжение питания |
4,75...30 В |
| Тип выходного сигнала | Push-Pull / Line Driver |
| Тип соединителя | Кабель или разъем |
| Вывод соединителя | Радиально |
|
Степень защиты от внешней среды |
IP 65 / IP 66 / IP 67 |
|
Диапазон рабочих температур |
от -40 до + 85 С |
| Масса | около 0,15 кг |
| Максимальная нагрузка на вал |
Аксиальная 50 Н Радиальная 50 Н |
| Максимальная механическая скорость (об / мин) | 4500 |
|
Доступное разрешение импульсов на оборот (имп/об) |
до 9000 |
Инкрементальные энкодеры SCH50IB от Scancon
| В наличии : | Нет |
Описание SCH50IB Scancon
588.51 КБ