Инкрементальный линейный энкодер SGC-4.2 Yuheng Optics
Цены
| Название | Цена | В наличии | |
| SGC-4.2M-500G5-9D3m-Z |
Цена по запросу
|
Под заказ | Подобрать аналог |
Описание
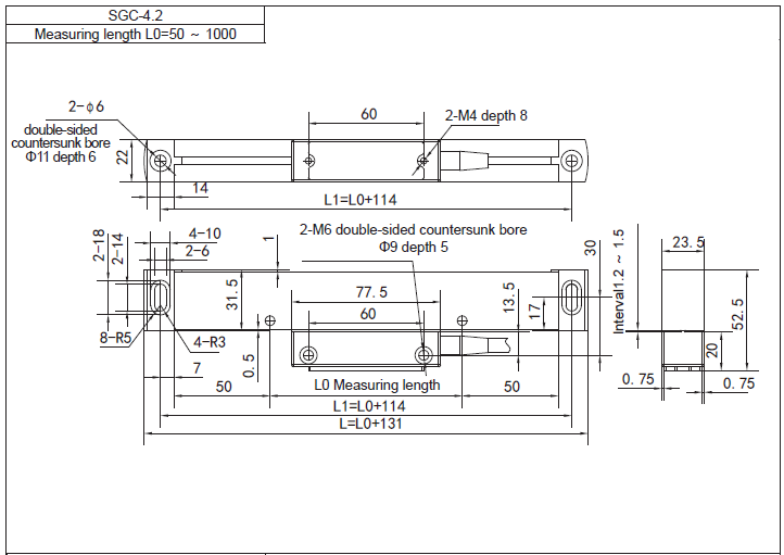
Характеристики датчика SGC-4.2
| Метод измерения | Инкрементальный |
|
Длина измерения |
до 1000 мм |
|
Тип выходного сигнала / Выходной интерфейс |
TTL / HTL / RS-422 / SinCos (1 Vpp, 11 мкА) |
| Разрешение |
0,5 мкм - 10 мкм |
|
Напряжение питания |
5 В +/- 5% / 12 В +/- 5% / 18 В +/- 5% / 24 В +/- 5% |
| Скорость перемещения | 60 м/мин |
| Точность | 10 мкм |
| Тип соединителя | Кабель |
|
Степень защиты от внешней среды |
IP 53 |
|
Диапазон рабочих температур |
от 0°C до + 50°C |
Инкрементальный линейный энкодер SGC-4.2 Yuheng Optics
| В наличии : | Нет |
Opisanie-SGC-Yuheng
853 КБ